"Power"
- Active Elements - Capable of generating energy. Examples are batteries & generators. – Negative Power
- Passive Elements - Absorbs energy. Examples are capacitors &
inductors. – Positive Power
"CHAPTER 2" - Basic Laws
Ohm's Law:
Ohm's law states that the voltage (v) across a resistor is directly proportional to the current (i) flowing through the resistor (r)."Ohm's Law Triangle"To apply Ohm’s law as stated, we must pay careful attention to the current direction and voltage polarity. The direction of current (i) and the polarity of voltage (v) must conform with the passive sign convention. This implies that current flows from a higher potential to a lower potential in order for v = iR. If current flows from a lower potential to a higher potential, v = − iR.Short Circuit:Since the value of R can range from zero to infinity, it is important that we consider the two extreme possible values of R. An element with R = 0 is called a short circuit.
For a short circuit,v = iR = 0Showing that the voltage is zero but the current could be anything. In practice, a short circuit is usually a connecting wire assumed to be a perfect conductor. Thus,A short circuit is a circuit element with resistance approaching zero.Open Circuit:
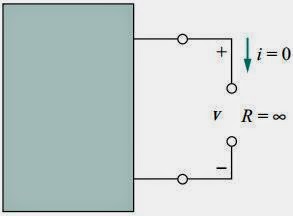
Similarly, an element with R = ∞ is known as an open circuit. For an open circuit,indicating that the current is zero though the voltage could be anything. Thus,An open circuit is a circuit element with resistance approaching infinity.Conductance:A useful quantity in circuit analysis is the reciprocal of resistance R, known as conductance and denoted by G:The conductance is a measure of how well an element will conduct electric current. The unit of conductance is the mho (ohm spelled backward) or reciprocal ohm. Althoughengineers often use the mhos, in this book we prefer to use the siemens (S), the SI unit of conductance:Thus,Conductance is the ability of an element to conduct electric current; it is measured in mhos or siemens (S).Some Learnings:We will know if element is active or passive by the sign convention. When the current enters the (-) negative terminal & leaves the (+) positive terminal, the current is negative & the power is negative. Thus, the element is active. Otherwise, it is passive.In Ohm's Law, it can be illustrated as follows:When a person pushes a table, the table moves when the force given is enough for it to move. In relation to the ohm's law, the voltage is the force given, the current is the motion, and the resistance is the frictional force.Laboratory:We are given a basic a basic laboratory equipment & components. Some of that are:Transistor
Integrated CircuitInductorVariable ACVariable DCDigital MultimeterVideos:For more information you can watch the video below.For Electric Power:For Ohm's Law:Again, Thank You so much
for visiting my blog.
GOD Bless !!!
By:AYALA, ARNY S. BSECE -3ECE 311Professor:ENGR. JAY S. VILLAN, MEP





















No comments:
Post a Comment